90% ausverkauft! Hol Dir Deinen RHINO Adventskalender

Direkt ist günstiger für Dich!Direkt ist günstiger für Dich!

Wusstest du, dass Preisvergleich-Plattformen und Suchmaschinen bei jedem Kauf fett mitverdienen? Über 20 % vom Preis gehen nur für Werbung drauf – und das zahlen am Ende alle mit. Wir sagen: Nein danke und möchten die Werbekosten lieber als Preisreduktion an Euch weitergeben!

Aus diesem Grund übermitteln wir nicht mehr unseren gesamten Bestand, die Bestpreis-Angebote und Deals an die großen Plattformen und können Dir so - neben den Geschenken, BROpoints und anderen Vorteilen - wesentlich bessere Preise geben, die Du ausschließlich bei uns findest. Deswegen lohnt es sich, ohne Umwege, direkt zu uns zu kommen.

Initiative für bessere Preise und mehr Fairness im Online-Handel.

Finde hier ALLE ANGEBOTE, für die wir derzeit den Online-Bestpreis haben.

Produktdetails & Lieferumfang

SKU: 137964
EAN: 4012432601393

Lieferumfang:

- 1x SSF Panik-Rohrrahmen-Einsteckschloss B DIN rechts auswärts

Produktbeschreibung:

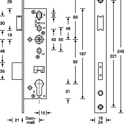
Umschaltfunktion B · für einflügelige Rahmentüren · Ausführung APB (von außen wahlweise dauerhaft begehbar oder verschlossen) Schlosskasten aus Stahl oben und unten geschlossen · durchgehende Beschlagbohrung oberhalb der Schlossnuss · Späneschutzhülsen · 1-tourig mit stabilem Riegel · Riegelausschluss 21 mm · DIN links und rechts einwärts/auswärts beachten · vorgerichtet für Profilzylinder · Entfernung 92 mm · 9 mm geteilte Schlossnuss · Falle mit Geräuschdämpfung · Riegel vernickelt · Edelstahl-Stulp auf Mitte · Stulplänge 245 mm · käntig · Hinterdornmaß 15 mm · Klassifizierungsschlüssel nach EN 12 209 vorhanden · geprüft und zertifiziert nach DIN 1125 und EN 179 gem. Konformitätszeugnis

Technische Daten:

- Riegel: vernickelt
- Hinterdornmaß: 15mm
- Norm: DIN 18251-2
- Schlosskasten: oben und unten geschlossen
- Schlossriegel: 1-tourig
- Riegelausschluss: 21mm
- Stulpbreite: 24 mm
- Anschlagrichtung: DIN rechts auswärts
- Stulpausführung: käntig
- Dornmaß: 35 mm
- Stulp: Edelstahl
- Falleneigenschaft: Flüsterfalle
- Stulplänge: 245 mm
- Panik-Funktion: B
- Wechsel: ohne Wechsel
- Lochung: PZ
- Klasse: 3
- Entfernung: 92 mm
- Vierkant: 9 mm
- Marke: SSF

Bei gewerblicher Nutzung beachten Sie bitte die Bauvorschriften!

Produkt Form

SSF Panik-Rohrrahmen-Einsteckschloss ( 3324024274 ) B DIN rechts auswärts Klasse 3 käntig

  • Hersteller SSF
  • Zustand  Neuware
  • Unzufrieden? 100 Tage kostenfreie Retoure
  • Heute verschickt? Bestelle innerhalb: Nov 23, 2025 14:00:00 +0100

Info zur Einfuhr in die Schweiz! 🇨🇭🇱🇮 Wir kümmern uns um die Zollabwicklung. Du erhältst Dein Paket ganz normal innerhalb der Lieferzeit und musst Dich um nichts kümmern. Deine Rechnung enthält die Schweizer MwSt. Eine Bestellung bei uns fühlt sich also für Dich an wie eine normale Inlandsbestellung. Ebenso die Retoure!

CHF 145.24
inkl. Mwst, zzgl. Versand

Auf Lager Lieferung bis vorauss.  Fr., 28.11.2025

    • American Express
    • Apple Pay
    • Google Pay
    • Twint
    • Klarna
    • Mastercard
    • +12 weitere

    +780.000 BROs folgen uns auf

     

    Smarte Produktberatung

    Rechnung, Versand & GPSR

    Versand & Rechnung durch: Dinotech e.K.

    Verantwortliche Person für die EU (GPSR) In der EU ansässiger Wirtschaftsbeteiligter, der sicherstellt, dass das Produkt den erforderlichen Vorschriften entspricht.
    • Sächsische Schlossfabrik GmbH
    • Am Pappelhain 10
    • 4539 Groitzsch
    • Germany
    • +493429673300
    • info@ssf.de

    Produktdetails & Lieferumfang

    SKU: 137964
    EAN: 4012432601393

    Lieferumfang:

    - 1x SSF Panik-Rohrrahmen-Einsteckschloss B DIN rechts auswärts

    Produktbeschreibung:

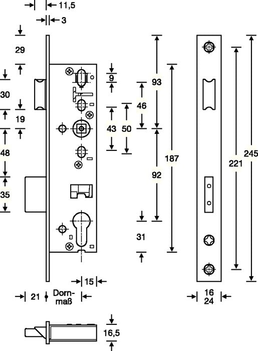
    Umschaltfunktion B · für einflügelige Rahmentüren · Ausführung APB (von außen wahlweise dauerhaft begehbar oder verschlossen) Schlosskasten aus Stahl oben und unten geschlossen · durchgehende Beschlagbohrung oberhalb der Schlossnuss · Späneschutzhülsen · 1-tourig mit stabilem Riegel · Riegelausschluss 21 mm · DIN links und rechts einwärts/auswärts beachten · vorgerichtet für Profilzylinder · Entfernung 92 mm · 9 mm geteilte Schlossnuss · Falle mit Geräuschdämpfung · Riegel vernickelt · Edelstahl-Stulp auf Mitte · Stulplänge 245 mm · käntig · Hinterdornmaß 15 mm · Klassifizierungsschlüssel nach EN 12 209 vorhanden · geprüft und zertifiziert nach DIN 1125 und EN 179 gem. Konformitätszeugnis

    Technische Daten:

    - Riegel: vernickelt
    - Hinterdornmaß: 15mm
    - Norm: DIN 18251-2
    - Schlosskasten: oben und unten geschlossen
    - Schlossriegel: 1-tourig
    - Riegelausschluss: 21mm
    - Stulpbreite: 24 mm
    - Anschlagrichtung: DIN rechts auswärts
    - Stulpausführung: käntig
    - Dornmaß: 35 mm
    - Stulp: Edelstahl
    - Falleneigenschaft: Flüsterfalle
    - Stulplänge: 245 mm
    - Panik-Funktion: B
    - Wechsel: ohne Wechsel
    - Lochung: PZ
    - Klasse: 3
    - Entfernung: 92 mm
    - Vierkant: 9 mm
    - Marke: SSF

    Bei gewerblicher Nutzung beachten Sie bitte die Bauvorschriften!

    Zuletzt angesehen

    Top Fragen auf einen Blick

    Wie kann ich meine Bestellung bezahlen?

    Wir bieten eine große Anzahl an sicheren Zahlungsmethoden:

    Online-Zahlungsarten

    PayPal, KLARNA, Google Pay, Apple Pay und Shop Pay.

    Kreditkarten

    Du kannst auch mit den gängigen Kredikarten VISA, MasterCard und American Express bezahlen. Die Zahlung wird in dem Fall über die 3D-Secure-Methode gesichert. Sollten wir Anzeichen für eine betrügerische Bestellung haben, stornieren wir automatisch.

    Wie erhalte ich eine Rechnung?

    Die Rechnung erhältst Du automatisch nach Zahlungseingang in einer separaten E-Mail von unserem Versandpartner. Sie kommt also nicht mit direkt mit der Eingangsbestätigung. Außerdem liegt der Bestellung eine Rechnung in Papierform bei.

    Bitte schaue deshalb auch nochmal gründlich im Spam-Order nach und melde Dich ansonsten hier in unserem Rechnungsportal.

    Retoure: Ich will etwas zurückschicken

    Wenn Du Deine Bestellung oder einen Teil davon zurückschicken möchtest und aus der EU 🇪🇺 kommstschau in unser Retoure-Portal.

    Für Retouren aus der Schweiz 🇨🇭 und Liechtenstein 🇱🇮 nimm dieses Retouren-Portal

    Wo ist meine Bestellung?

    Es gibt verschiedene Möglichkeiten den Sendungsstatus zu verfolgen:

    Der Versand benötigt in der Regel 1 - 2 Werktage. Falls es länger dauert oder Du der Meinung bist, das Paket ist verschwunden, melde Dich hier in unserem Problem-Portal.

    Deine Werkzeug-Family

    • <strong>Persönliche Beratung</strong>

      Persönliche Beratung

      Im Gegensatz zu vielen anderen Plattformen, bekommst Du bei uns eine persönliche Beratung und einen Service, der Dich jederzeit unterstützt.

    • <strong>Next-Day Lieferung</strong>

      Next-Day Lieferung

      Wir sorgen dafür, dass Du Deine Bestellung meist innerhalb von einem Werktag (innerhalb Deutschlands) erhältst. Dafür arbeiten wir mit ausgewählten Händlern zusammen.

    • <strong>Beste Preise</strong>

      Beste Preise

      Für jeden Artikel mit diesem Symbol bekommst Du bei uns derzeit den Online-Bestpreis. Die genauen Informationen dazu, findest Du auf den Produktseiten.

    Werkzeug kauft man bei den BROs

    Sei kein Kunde, sei ein BRO! ❤️ Wenn Du auf der Suche nach Werkzeugen von Premium-Herstellern wie Makita, Bosch, Festool, Milwaukee, Metabo & Co bist, führt Dich kein Weg an der TOOLBROTHERS-Family vorbei. Wir bieten unseren BROs beste Preise, GRATIS Geschenke, Next-Day Lieferung, BROdeals, persönlichen Service und mehr. Sammel bei jeder Bestellung BROpoints und tausche diese gegen Rabatte ein.

    • Superschnell
    • Zuverlässig
    • Mit bestem Service

    Anmeldung

    Hast Du Dein Passwort vergessen?

    Du bist noch kein Club-Mitglied?
    Konto erstellen