Accumula BROpoints con ogni acquisto!

Direkt ist günstiger für Dich!Direkt ist günstiger für Dich!

Wusstest du, dass Preisvergleich-Plattformen und Suchmaschinen bei jedem Kauf fett mitverdienen? Über 20 % vom Preis gehen nur für Werbung drauf – und das zahlen am Ende alle mit. Wir sagen: Nein danke und möchten die Werbekosten lieber als Preisreduktion an Euch weitergeben!

Aus diesem Grund übermitteln wir nicht mehr unseren gesamten Bestand, die Bestpreis-Angebote und Deals an die großen Plattformen und können Dir so - neben den Geschenken, BROpoints und anderen Vorteilen - wesentlich bessere Preise geben, die Du ausschließlich bei uns findest. Deswegen lohnt es sich, ohne Umwege, direkt zu uns zu kommen.

Initiative für bessere Preise und mehr Fairness im Online-Handel.

Finde hier ALLE ANGEBOTE, für die wir derzeit den Online-Bestpreis haben.

Descrizione

SKU: 74490
EAN: 4015540964534

Volume di consegna:
- Serratura da infilare antipanico 1201 Funzione antipanico D arrotondata

Descrizione del prodotto:
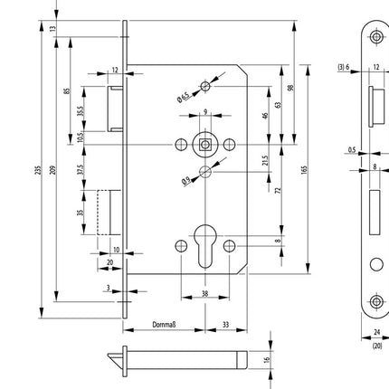
Funzione antipanico D - per porte in legno o acciaio ad un'anta con apertura verso l'esterno - omologato in combinazione con ferramenta testata secondo EN 179 (uscite di sicurezza) e EN 1125 (porte antipanico) - idoneità alla protezione antincendio secondo DIN 18250 + DIN 4102 + DIN EN 1634 - due tondi - seguitore in 2 parti - predisposto per cilindro profilato - scrocco e catenaccio in acciaio - interasse 72 mm - quadro 9 mm - lunghezza frontale 235 mm - cassa serratura chiusa su tutti i lati

Dati tecnici:
- Bullone: Acciaio
- Standard: DIN 18250
- Cassa della serratura: chiusa su tutti i lati
- Lancio del bullone: 20 mm
- Scrocco: acciaio

In caso di uso commerciale, si prega di osservare le norme edilizie!

Forma del prodotto

BKS Serratura da infilare antipanico 1201 Funzione antipanico D arrotondata ( 3000251575 )

  • Produttore BKS
  • Condizione  Nuovo prodotto
  • Unzufrieden? 100 Tage kostenfreie Retoure

    Informazioni sull'importazione in Svizzera! 🇨🇭🇱🇮 Ci occupiamo noi delle pratiche doganali. Riceverai il tuo pacco normalmente entro il tempo di consegna e non dovrai preoccuparti di nulla. La tua fattura include l'IVA svizzera. Ordinare da noi sarà quindi per te come ordinare normalmente in Italia. Lo stesso vale per la restituzione!

    CHF 52.32
    IVA incl., spese di spedizione escl.

    In magazzino consegna prevista in  gio, 27.11.2025

      • American Express
      • Apple Pay
      • Google Pay
      • Twint
      • Klarna
      • Mastercard
      • +12 weitere

      +780.000 BROs folgen uns auf

       

      Smarte Produktberatung

      Rechnung, Versand & GPSR

      Versand & Rechnung durch: Dinotech e.K.

      Persona responsabile per l'UE (GPSR) Operatore economico stabilito nell'UE che garantisce che il prodotto è conforme alle normative richieste.
      • infoservice@bks.de
      • +4920512010
      • Germany
      • 42549 Velbert
      • Heidestr. 71
      • BKS GmbH

      Descrizione

      SKU: 74490
      EAN: 4015540964534

      Volume di consegna:
      - Serratura da infilare antipanico 1201 Funzione antipanico D arrotondata

      Descrizione del prodotto:
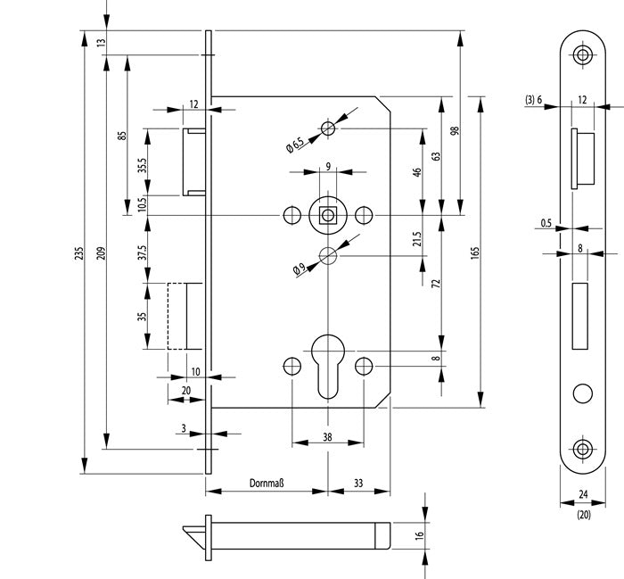
      Funzione antipanico D - per porte in legno o acciaio ad un'anta con apertura verso l'esterno - omologato in combinazione con ferramenta testata secondo EN 179 (uscite di sicurezza) e EN 1125 (porte antipanico) - idoneità alla protezione antincendio secondo DIN 18250 + DIN 4102 + DIN EN 1634 - due tondi - seguitore in 2 parti - predisposto per cilindro profilato - scrocco e catenaccio in acciaio - interasse 72 mm - quadro 9 mm - lunghezza frontale 235 mm - cassa serratura chiusa su tutti i lati

      Dati tecnici:
      - Bullone: Acciaio
      - Standard: DIN 18250
      - Cassa della serratura: chiusa su tutti i lati
      - Lancio del bullone: 20 mm
      - Scrocco: acciaio

      In caso di uso commerciale, si prega di osservare le norme edilizie!

      Visualizzati di recente

      Le domande più frequenti in sintesi

      Come posso pagare il mio ordine? Come posso pagare il mio ordine?

      Offriamo un gran numero di metodi di pagamento sicuri:

      Metodi di pagamento online

      PayPal, KLARNA, Google Pay, Apple Pay e Shop Pay.

      Carte di credito

      Puoi anche pagare con le comuni carte di credito VISA, MasterCard e American Express. In questo caso il pagamento è protetto dal metodo 3D Secure. Se dovessimo avere indicazioni di un ordine fraudolento, lo annulleremo automaticamente.

      Come posso pagare il mio ordine?
      Come posso ricevere una fattura?

      Riceverai automaticamente la fattura dopo il pagamento in un'e-mail separata dal nostro partner di spedizione. Quindi non arriva direttamente con la conferma di ricezione. Inoltre, l'ordine è accompagnato da una fattura in formato cartaceo.

      Si prega quindi di controllare di nuovo attentamente nella cartella spam e di contattarci qui nel nostro portale di fatturazione.

      Reso: voglio restituire qualcosa

      Se desideri restituire il tuo ordine o parte di esso e provieni dall'UE 🇪🇺, consulta il nostro portale per i resi.

      Per i resi dalla Svizzera 🇨🇭 e dal Liechtenstein 🇱🇮, utilizza questo portale per i resi

      ¿Dónde está mi pedido?

      Hay varias formas de seguir el estado del envío:

      El envío suele tardar entre 1 - 4 días laborables. Si tarda más o si cree que el paquete ha desaparecido, póngase en contacto con nosotros a través de nuestro portal de incidencias.

      La tua famiglia di utensili

      • <strong>Consulenza personale</strong>

        Consulenza personale

        A differenza di molte altre piattaforme, con noi riceverai una consulenza personale e un servizio di assistenza in qualsiasi momento.

      • <strong>Spedizione veloce</strong>

        Spedizione veloce

        Garantiamo che riceverai il tuo ordine di solito entro 1 - 4 giorni lavorativi. Per farlo, collaboriamo con rivenditori accuratamente selezionati.

      • <strong>I migliori prezzi</strong>

        I migliori prezzi

        Per ogni articolo con questo simbolo, attualmente riceverai da noi il miglior prezzo online (rispetto al mercato tedesco). Troverai le informazioni esatte sulle pagine dei prodotti.

      Questo è Toolbrothers

      Gli attrezzi sono il motore della nostra società. Non importa se stai costruendo una casa, hai comprato un armadio IKEA o vuoi finalmente riparare il rubinetto che perde. Hai bisogno di attrezzi. Noi ti forniamo gli attrezzi, e lo facciamo in stile Toolbrothers.

      • Super veloce
      • Affidabile
      • Con il miglior servizio

      Login

      Hai dimenticato la password?

      Non hai ancora un conto?
      Creare un profilo