Limité : Notre calendrier de l'Avent Toolbrothers RHINO 2025 est là

Direkt ist günstiger für Dich!Direkt ist günstiger für Dich!

Wusstest du, dass Preisvergleich-Plattformen und Suchmaschinen bei jedem Kauf fett mitverdienen? Über 20 % vom Preis gehen nur für Werbung drauf – und das zahlen am Ende alle mit. Wir sagen: Nein danke und möchten die Werbekosten lieber als Preisreduktion an Euch weitergeben!

Aus diesem Grund übermitteln wir nicht mehr unseren gesamten Bestand, die Bestpreis-Angebote und Deals an die großen Plattformen und können Dir so - neben den Geschenken, BROpoints und anderen Vorteilen - wesentlich bessere Preise geben, die Du ausschließlich bei uns findest. Deswegen lohnt es sich, ohne Umwege, direkt zu uns zu kommen.

Initiative für bessere Preise und mehr Fairness im Online-Handel.

Finde hier ALLE ANGEBOTE, für die wir derzeit den Online-Bestpreis haben.

Description

SKU: 26131
EAN: 4064677024215

Contenu de la livraison:

- 100x HECO MULTI MONTI plus MS Vis d'ancrage 7,5 x 60 mm

Description du produit:

La vis d'ancrage MULTI MONTI plus de HECO est un développement ultérieur amélioré de la vis à béton MULTI MONTI. La particularité de la vis est que la vis peut être enfoncée dans un trou pré-percé sans cheville et peut être chargée immédiatement. Grâce à la denture renforcée à la pointe de la vis, un filetage intérieur est vissé dans le matériau de construction. Le résultat est une forme ajustée à travers laquelle l'ancrage a lieu. Le degré élevé de sécurité d'application qui est donné par ce processus protège les utilisateurs et les tournevis. Le MULTI MONTI peut être facilement usiné près du bord sans clé dynamométrique. De plus, la vis peut être démontée et éventuellement réutilisée. Heco est l'un des principaux fabricants de vis et se caractérise par une qualité élevée et une longue tradition.

Spécifications techniques:

Fabricant: HECO
Numéro du fabricant: 52374
Désignation du fabricant: MULTI MONTI plus MS
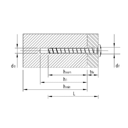
Épaisseur de fixation, tfix1: 5 mm
Épaisseur de fixation, tfix2: 25 mm
Taille du lecteur: T-30
Diamètre du foret, d0: 6,0 mm
Profondeur du trou, h1: 60 mm
Profondeur de perçage, h2: 40 mm
Trou traversant dans la fixation, df: 9 mm
Profondeur de vissage, hnom1: 55 mm
Profondeur de vissage, hnom2: 35 mm
Longueur du filetage, lg: 57 mm
Diamètre de la tête, dk: 17,0 mm
Puissance de sortie maximale recommandée de la clé à chocs, Tmax1: 120 Nm
Épaisseur minimale du composant, hmin: 100 mm
Distance au bord minimale, cmin: 30 mm
Diamètre, d: 7,5 mm
Longueur, l: 60 mm
Conception de la tête: ancrage pour rail de montage avec tête ronde plate
Entraînement: entraînement en T
Surface: bleu galvanisé, A2K
Matériau: acier au carbone

Fiche produit

HECO MULTI MONTI plus MS Vis d'ancrage 7,5 x 60 mm - 100 pièces (2x 52374) vis à béton tête ronde plate T-Drive galvanisé bleu A2K

  • Fabricant HECO
  • État  Produit neuf
  • Insatisfait ? Retour gratuit sous 100 jours

Informations sur l'importation en Suisse ! 🇨🇭🇱🇮 Nous nous occupons des formalités douanières. Tu reçois ton colis normalement dans les délais de livraison et tu n'as à t'occuper de rien. Ta facture comprend la TVA suisse. Une commande chez nous se déroule donc comme une commande nationale normale. Il en va de même pour les retours!

CHF 39.75
TVA incluse, frais d'envoi en sus
    • American Express
    • Apple Pay
    • Google Pay
    • Twint
    • Klarna
    • Mastercard
    • +12 autres

    +780.000 BROs nous suivent sur

     

    Smarte Produktberatung

    Rechnung, Versand & GPSR

    Versand & Rechnung durch: Dinotech e.K.

    Personne responsable de l'UE (GPSR) Opérateur économique établi dans l'UE qui s'assure que le produit est conforme aux réglementations requises.
    • HECO-Schrauben GmbH & Co. KG
    • Dr.-Kurt-Steim-Strasse 28
    • 78713 Schramberg
    • Allemagne
    • +4974229890
    • info@heco-schrauben.de

    Description

    SKU: 26131
    EAN: 4064677024215

    Contenu de la livraison:

    - 100x HECO MULTI MONTI plus MS Vis d'ancrage 7,5 x 60 mm

    Description du produit:

    La vis d'ancrage MULTI MONTI plus de HECO est un développement ultérieur amélioré de la vis à béton MULTI MONTI. La particularité de la vis est que la vis peut être enfoncée dans un trou pré-percé sans cheville et peut être chargée immédiatement. Grâce à la denture renforcée à la pointe de la vis, un filetage intérieur est vissé dans le matériau de construction. Le résultat est une forme ajustée à travers laquelle l'ancrage a lieu. Le degré élevé de sécurité d'application qui est donné par ce processus protège les utilisateurs et les tournevis. Le MULTI MONTI peut être facilement usiné près du bord sans clé dynamométrique. De plus, la vis peut être démontée et éventuellement réutilisée. Heco est l'un des principaux fabricants de vis et se caractérise par une qualité élevée et une longue tradition.

    Spécifications techniques:

    Fabricant: HECO
    Numéro du fabricant: 52374
    Désignation du fabricant: MULTI MONTI plus MS
    Épaisseur de fixation, tfix1: 5 mm
    Épaisseur de fixation, tfix2: 25 mm
    Taille du lecteur: T-30
    Diamètre du foret, d0: 6,0 mm
    Profondeur du trou, h1: 60 mm
    Profondeur de perçage, h2: 40 mm
    Trou traversant dans la fixation, df: 9 mm
    Profondeur de vissage, hnom1: 55 mm
    Profondeur de vissage, hnom2: 35 mm
    Longueur du filetage, lg: 57 mm
    Diamètre de la tête, dk: 17,0 mm
    Puissance de sortie maximale recommandée de la clé à chocs, Tmax1: 120 Nm
    Épaisseur minimale du composant, hmin: 100 mm
    Distance au bord minimale, cmin: 30 mm
    Diamètre, d: 7,5 mm
    Longueur, l: 60 mm
    Conception de la tête: ancrage pour rail de montage avec tête ronde plate
    Entraînement: entraînement en T
    Surface: bleu galvanisé, A2K
    Matériau: acier au carbone

    Dernièrement consultés

    Top des questions en un coup d'œil

    Comment puis-je payer ma commande ?

    Nous proposons un grand nombre de méthodes de paiement sécurisées :

    Modes de paiement en ligne

    PayPal, KLARNA, Google Pay, Apple Pay und Shop Pay.

    Cartes de crédit

    Tu peux aussi payer avec les cartes de crédit courantes VISA, MasterCard et American Express. Dans ce cas, le paiement est sécurisé par la méthode 3D-Secure. Si nous avons des signes d'une commande frauduleuse, nous l'annulons automatiquement.

    Comment puis-je payer ma commande ?
    Comment puis-je obtenir une facture ?

    Tu recevras automatiquement la facture par e-mail séparé de notre partenaire d'expédition après réception du paiement. Elle ne sera donc pas envoyée avec la confirmation de réception. En outre, une facture papier est jointe à la commande.

    Vérifie donc à nouveau soigneusement ton spam et, si tu ne la trouvez pas, contacte nous ici sur notre portail de facturation.

    Retour: je souhaite renvoyer un article

    Si tu souhaites renvoyer ta commande ou une partie de ta commande et que tu viens de l'UE, 🇪🇺, consulte notre portail de retour.

    Pour les retours depuis la Suisse, 🇨🇭, et le Liechtenstein, 🇱🇮, utilise ce portail de retour.

    Où est ma commande ?

    Il existe plusieurs façons de suivre l’état de l’expédition :

    L'expédition prend généralement 1 - 4 jours ouvrables. Si cela prend plus de temps ou si vous pensez que le colis a disparu, Signalez-le ici dans notre portail de problèmes.

    Ta collecion d'outils

    • <strong>Conseil personnalisé</strong>

      Conseil personnalisé

      Contrairement à de nombreuses autres plates-formes, tu bénéficies chez nous d'un conseil personnalisé et d'un service après-vente qui te soutient à tout moment.

    • <strong>Expédition rapide</strong>

      Expédition rapide

      Nous vous garantissons que vous recevrez votre commande généralement sous 2 à 4 jours ouvrés. Pour cela, nous travaillons avec des détaillants soigneusement sélectionnés.

    • <strong>Les meilleurs prix</strong>

      Les meilleurs prix

      Pour chaque article portant ce symbole, tu bénéficies actuellement chez nous du meilleur prix en ligne. Tu trouveras des informations détaillées à ce sujet sur les pages produits.

    On achète les outils chez BROs

    Ne soyez pas un client, soyez un BRO ! ❤️ Si vous recherchez des outils de fabricants haut de gamme tels que Makita, Bosch, Festool, Milwaukee, Metabo & Co, vous ne pouvez pas passer à côté de la famille TOOLBROTHERS. Nous offrons à nos BROs les meilleurs prix, des cadeaux GRATUITS, une livraison le lendemain, des BROdeals, un service personnalisé et bien plus encore. Cumulez des BROpoints à chaque commande et échangez-les contre des réductions.

    • Très rapide
    • Fiable
    • Avec le meilleur service

    Connexion

    Mot de passe oublié ?

    Vous n'avez pas encore de compte ?
    Créer un compte